JP-LDEF分体式电磁流量计测量原理是基于法拉第电磁感应定律,分体式电磁流量计由传感器和转换器组成,传感器安装在测量管道上,转换器被安装在离传感器30米内或100米内的场合,两者间由屏蔽电缆连接。分体式电磁流量计传感器主要组成部分是:测量管、电极、励磁线圈、铁芯与磁轭壳体。主要用于测量封闭管道中的导电液体和浆液中的体积流量。如水、污水、泥浆、纸浆、各种酸、碱、盐溶液、食品浆液等,广泛应用于石油、化工、冶金、纺织、食品、制药、造纸等行业以及环保、市政管理,水利建设等领域测量高温,高湿,不便观察的环境。
一、产品特点:
1、适用于导电率大于5цs/cm导电流体的体积流量测量。
2、测量管内无活动及阻流部件、压力损失小;
3、具有不同材质的衬里和电极有良好的防腐性能;
4、不受介质、密度、粘度、温度、压力和导电率的影响;
5、低频矩形波励磁、不易受干扰性、能稳定可靠;
6、转换器耗能低、安装简单方便、用户不需调试。
二、技术参数:
1.仪表口径:DN15~DN600(法兰连接式)、DN300~DN3000(插入式)
2.精度等级:法兰式:0.5%、1.0%;插入式:2.5%
3.被测介质:一般液体、腐蚀性液体、含杂质的液体(导电)
4.流速范围:0.5~10m/s
5.衬里材质:聚氨脂、氯丁橡胶、聚四氟等;
6.电极材质:不锈钢、哈氏合金、钛、铂铱合金等;
7.连接方式:法兰夹装、法兰连接等;
8.介质温度:0℃~70℃、0℃~130℃(0℃~180℃);
9.公称压力:1.0Mpa~32 Mpa;
10.防护等级:IP65、IP68;
11.防爆标志:ExibBT4;
12.工作电压:220VAC、24VDC。
13.执行标准:JB/T9248-1999(电磁流量传感器)
14.检定规程:JJG1033-2007(电磁流量计检定规程)
三、衬里的选择:
| 内衬材料名称 | 性能与适用范围 | 符号 | 耐温 |
| 氯丁橡胶 |
1、有好的弹性,高度的扯断力,耐磨性能好; 2、耐一般低浓度酸、碱、盐介质的腐蚀; 3、不耐氧化介质的腐蚀。 4、适合水、污水、弱磨损性的泥浆矿浆。 |
CR | <60℃ |
| 聚氨酯橡胶 |
1、耐磨性能强。 2、耐腐蚀性能较差。 3、适合中性强磨损的矿浆、煤浆、泥浆 |
PU | <60℃ |
| 聚四氟乙烯 |
1、是化学性能稳定的一种塑料; 2、能耐沸腾的盐酸、硫酸、硝酸和王水,也能耐浓碱等剂。 3、不耐三氟化氯、高温三氟化氯、高流速液氟、液氧、自氧的腐蚀。 |
F4 | <120℃ |
| 聚全氟乙丙烯 | 同F4,耐磨性、抗负压能力高于F4。 | F46 | <120℃ |
四、电极的选择:
| 电极材料 | 耐腐能力及适用范围 |
| 316不锈钢 | 弱腐蚀性液体,如:生活用水、工业用水、原水、井水、城市污水等 |
| 哈氏合金B |
盐酸(浓度<10%)非氧化性酸、氢氧化钠(浓度<50%), 一切浓度的氢氧化氨碱溶液、磷酸、有机酸 |
| 哈氏合金C | 混酸、铬酸与硫酸的混合物、氧化性盐类(如Fe+++、Cu++++)、海水、磷酸、有机酸 |
| 钛 |
盐(如:氯化物/镁/铝/钙/铵/铁等)、钠盐、钾盐、铵盐、次铝酸盐、海水、 浓度<50%的氢氧化钾、氢氧化铵、氢氧化钡盐溶液 |
| 钽 |
盐酸(浓度<40%)、稀硫酸和浓硫酸(不含发烟硫酸) 二氧化氯、氯化铁、次氯酸、氰化钠、乙酸等 硝酸(含发烟硝酸)等氧化酸、温度低于80℃的王水 |
| 铂 | 几乎所有的酸、碱、盐溶液(包括发烟硫酸、发烟硝酸) |
| 碳化钨 | 纸浆、污水等,能抗固体颗粒干扰 |
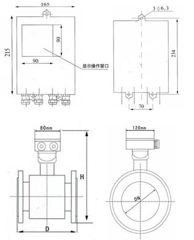
五、电磁流量计外形尺寸图:
|
通径 (DN) |
L (mm) |
H (mm) |
通径 (DN) |
L (mm) |
H (mm) |
![]() |
| 15 | 200 | 299 | 200 | 350 | 517 | |
| 20 | 200 | 304 | 250 | 400 | 585 | |
| 25 | 200 | 312 | 300 | 500 | 627 | |
| 32 | 200 | 321 | 350 | 500 | 681 | |
| 40 | 200 | 340 | 400 | 500 | 741 | |
| 50 | 200 | 353 | 450 | 550 | 779 | |
| 65 | 200 | 369 | 500 | 550 | 834 | |
| 80 | 200 | 375 | 600 | 600 | 725 | |
| 100 | 250 | 404 | 700 | 700 | 810 | |
| 125 | 250 | 432 | 800 | 800 | 920 | |
| 150 | 300 | 461 | 900 | 900 | 1020 | |
| 200 | 350 | 517 | 1000 | 1000 | 1120 |
六、电磁流量计流量范围表:
|
口径 (DN) |
流 量 范 围 (m)3/h |
口径 (DN) |
流 量 范 围 (m)3/h |
口径 (DN) |
流 量 范 围 (m)3/h |
| 15 | 0.4~6.0 | 150 | 40~600 | 700 | 900~12000 |
| 20 | 0.6~12 | 200 | 60~1000 | 800 | 1000~16000 |
| 25 | 1.0~15 | 250 | 100~1600 | 900 | 1200~20000 |
| 32 | 1.0~25 | 300 | 160~2500 | 1000 | 1600~25000 |
| 40 | 2.5~40 | 350 | 200~3000 | 1200 | 2500~30000 |
| 50 | 4~60 | 400 | 250~4000 | 1400 | 3000~50000 |
| 65 | 6~120 | 450 | 300~5000 | 1600 | 4000~60000 |
| 80 | 10~160 | 500 | 400~6000 | 1800 | 5000~80000 |
| 100 | 16~250 | 550 | 500~8000 | 2000 | 6000~100000 |
| 125 | 25~400 | 600 | 6000~10000 | 2200 | 7000~120000 |
七、电磁流量计选型表:
| JP-LDE | 电磁流量计 | ||||||||
|
口径 (mm) |
15 | DN15 | |||||||
| 20 | DN20 | ||||||||
| … | … | ||||||||
| 2600 | DN2600 | ||||||||
| 安装方式 | Y | 一体式 | |||||||
| F | 分体式式 | ||||||||
| 输出信号 | I | 4~20mA | |||||||
| H | 4~20mA+HART协议 | ||||||||
| F | 频率 | ||||||||
| R | RS485通讯 | ||||||||
| 衬里材质 | N | 氯丁橡胶(65℃以下) | |||||||
| F | 聚四氟乙烯(160℃以下) | ||||||||
| P | 聚氟乙烯(70℃) | ||||||||
| 电极材质 | 3L | 316L | |||||||
| HB | 哈氏合金B | ||||||||
| HC | 哈氏合金C | ||||||||
| Ti | 钛 | ||||||||
| Ta | 钽 | ||||||||
| By | 铂铱合金 | ||||||||
| 压力等级 | 1 | PN1.6 | |||||||
| 2 | PN2.5 | ||||||||
| 4 | PN4.0 | ||||||||
| 6 | PN6.3 | ||||||||
| 9 | PN16 | ||||||||
| 供电方式 | D | DC 24V | |||||||
| A | AC 220V | ||||||||
| 附加选项 | C | 插入式 | |||||||
| B | 防爆(ExII CT6) | ||||||||
八、电磁流量计安装示意图及注意事项:
| 注意事项 | 图例 | |||||||||||||||||||
|
1.水平直管道的安装 保证流量计的前直管段≥5D,后直管段≥3D |
![]() |
|||||||||||||||||||
|
2.扩管的安装: 对于小口径大流量,扩管安装,同时保证流量计的前直管 段≥5D,后直管段≥2D |
|
|||||||||||||||||||
|
3.缩管的安装: 对于大口径小流量,缩管安装,同时保证流量计的前直管 段≥10D,后直管段≥5D |
|
|||||||||||||||||||
|
4.前后有弯管的安装: 对于流量计前后有弯管的安装,应保证流量计的前直管段≥10D,后直管段≥5D |
![]() |
|||||||||||||||||||
|
5.阀 应将阀安装在流量计的上游,同时保证流量计的前直管段≥10D,后直管段≥5D |
![]() |
|||||||||||||||||||
|
6.泵 应将泵安装在流量计的上游,同时保证流量计的前直管段≥15D,后直管段≥5D |
![]() |
|||||||||||||||||||
|
7.支管进总管 对于流量计前端有两个支管进总管时,应保证流量计的前直管段≥30D,后直管段≥3D |
![]() |
|||||||||||||||||||









![[list:title]](/uploads/allimg/180722/1-1PH20Z616.jpg)





