JPLDE-MC卫生型电磁流量计采用了卫生型衬里材料和衬里工艺,符合食品行业的卫生要求,同时采用了不锈钢外壳及不锈钢卡箍连接,方便电磁流量计的快速拆卸、清洗,使电磁流量计在使用过程中不易被污染,且能有效防止测量流体残余物在测量管中的堆积,卫生型电磁流量计可广泛应用于矿泉水、酱油、果酱、啤酒、果汁、米酒、牛奶等食品的制造过程及卫生、化工等领域。
一、卫生型电磁流量计技术参数:
1.公称通径:DN10~DN65mm;
2.公称压力:≤1.6MPa;
3.精 确 度:±0.5%;±0.3%;
4.测量范围:0~10m/s(流速);
5.衬里材料:PFA;
6.电极材料:316L不锈钢、HB、HC、钛、钽
7.外壳材料:不锈钢;
8.介质温度:-10℃~+80℃;
9.环境温度:-25℃~+60℃;
10连接方式:卡箍式快速接头;
11.电 源:220V AC 或 24V DC;
二、电磁流量计的产品特点:
1、测量不受流体密度、粘度、温度、压力和电导率变化的影响;
2、测量管内无阻碍流动部件,无压损,直管段要求较低;
3、系列公称通径DN15~DN3000。传感器衬里和电极材料有多种选择;
4、转换器采用新颖励磁方式,功耗低、零点稳定、精确度高。流量范围度可达1500:1;
5、转换器可与传感器组成一体型或分离型;
6、转换器采用16位高性能微处理器,2x16LCD显示,参数设定方便,编程可靠;
7、流量计为双向测量系统,内装三个积算器:正向总量、反向总量及差值总量;可显示.庄、反流量,并具有多种输出:电流、脉冲、数字通讯、HART;
8、转换器采用表面安装技术SMT,具有自检和自诊断功能。
三、卫生型电磁流量计的流量范围:
四、卫生型电磁流量计外形尺寸图:
五、电磁流量计选型表:
三、卫生型电磁流量计的流量范围:
|
口径 (DN) |
流 量 范 围 (m)3/h |
口径 (DN) |
流 量 范 围 (m)3/h |
口径 (DN) |
流 量 范 围 (m)3/h |
| 15 | 0.4~6.0 | 150 | 40~600 | 700 | 900~12000 |
| 20 | 0.6~12 | 200 | 60~1000 | 800 | 1000~16000 |
| 25 | 1.0~15 | 250 | 100~1600 | 900 | 1200~20000 |
| 32 | 1.0~25 | 300 | 160~2500 | 1000 | 1600~25000 |
| 40 | 2.5~40 | 350 | 200~3000 | 1200 | 2500~30000 |
| 50 | 4~60 | 400 | 250~4000 | 1400 | 3000~50000 |
| 65 | 6~120 | 450 | 300~5000 | 1600 | 4000~60000 |
| 80 | 10~160 | 500 | 400~6000 | 1800 | 5000~80000 |
| 100 | 16~250 | 550 | 500~8000 | 2000 | 6000~100000 |
| 125 | 25~400 | 600 | 6000~10000 | 2200 | 7000~120000 |
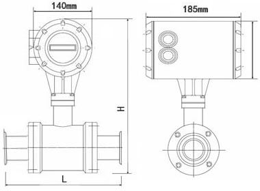
四、卫生型电磁流量计外形尺寸图:
|
通径 (DN) |
L (mm) |
H (mm) |
通径 (DN) |
L (mm) |
H (mm) |
![]() |
||||||||||||||||||
| 15 | 200 | 299 | 200 | 350 | 517 | |||||||||||||||||||
| 20 | 200 | 304 | 250 | 400 | 585 | |||||||||||||||||||
| 25 | 200 | 312 | 300 | 500 | 627 | |||||||||||||||||||
| 32 | 200 | 321 | 350 | 500 | 681 | |||||||||||||||||||
| 40 | 200 | 340 | 400 | 500 | 741 | |||||||||||||||||||
| 50 | 200 | 353 | 450 | 550 | 779 | |||||||||||||||||||
| 65 | 200 | 369 | 500 | 550 | 834 | |||||||||||||||||||
五、电磁流量计选型表:
| JP-LDE | 电磁流量计 | ||||||||||||||||||||||||
|
口径 (mm) |
15 | DN15 | |||||||||||||||||||||||
| 20 | DN20 | ||||||||||||||||||||||||
| … | … | ||||||||||||||||||||||||
| 2600 | DN2600 | ||||||||||||||||||||||||
| 安装方式 | Y | 一体式 | |||||||||||||||||||||||
| F | 分体式式 | ||||||||||||||||||||||||
| 输出信号 | I | 4~20mA | |||||||||||||||||||||||
| H | 4~20mA+HART协议 | ||||||||||||||||||||||||
| F | 频率 | ||||||||||||||||||||||||
| R | RS485通讯 | ||||||||||||||||||||||||
| 衬里材质 | N | 氯丁橡胶(65℃以下) | |||||||||||||||||||||||
| F | 聚四氟乙烯(160℃以下) | ||||||||||||||||||||||||
| P | 聚氟乙烯(70℃) | ||||||||||||||||||||||||
| 电极材质 | 3L | 316L | |||||||||||||||||||||||
| HB | 哈氏合金B | ||||||||||||||||||||||||
| HC | 哈氏合金C | ||||||||||||||||||||||||
| Ti | 钛 | ||||||||||||||||||||||||
| Ta | 钽 | ||||||||||||||||||||||||
| By | 铂铱合金 | ||||||||||||||||||||||||
| 压力等级 | 1 | PN1.6 | |||||||||||||||||||||||
| 2 | PN2.5 | ||||||||||||||||||||||||
| 4 | PN4.0 | ||||||||||||||||||||||||
| 6 | PN6.3 | ||||||||||||||||||||||||
| 9 | PN16 | ||||||||||||||||||||||||
| 供电方式 | D | DC 24V | |||||||||||||||||||||||
| A | AC 220V | ||||||||||||||||||||||||
| 附加选项 | MC | 卫生型(卡箍安装) | |||||||||||||||||||||||
| B | 防爆(ExII CT6) | ||||||||||||||||||||||||









![[list:title]](/uploads/allimg/180722/1-1PH2124K0.jpg)
