Y-60/100/150B不锈钢压力表采用不锈钢材料制造,主要零件采用1icr18Ni9T、Ocr18Ni12Mo2Ti、 sus316不锈钢材料,适用于有腐蚀性气体环境,具有较强的防被测介质腐蚀和抗环境腐蚀的能力。不锈钢压力表广泛应用于石油、化工、冶金等工业。
一、 技术参数:
| 名称 | 型 号 | 量程范围(MPa) | 精度等级 |
| 不锈钢压力表 | Y-60B |
0~0.1、0~0.16、0~0.25、 0~0.4、0~0.6、0~1.0、 0~1.6、0~2.5、0~4.0、 0~6.0、0~10、0~16、 0~25、0~40、0~60、 -0.1~0、-0.1~0.06、 -0.1~0.15、-0.1~0.3、 -0.1~0.5、-0.1~0.9、 -0.1~1.5、-0.1~2.4 |
2.5 |
| Y-100B | 1.6 | ||
| Y-150B | 1.6 | ||
| 不锈钢耐震压力表 | YN-60B | 2.5 | |
| YN-100B | 1.6 | ||
| YN-150B | 1.6 | ||
| 轴向带前边不锈钢压力表 | Y-60B/ZT | 2.5 | |
| Y-100B/ZT | 1.6 | ||
| Y-150B/ZT | 1.6 | ||
| 轴向带前边不锈钢耐震压力表 | YN-60B/ZT | 2.5 | |
| YN-100B/ZT | 1.6 | ||
| YN-150B/ZT | 1.6 |
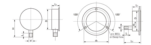
二、不锈钢压力表外形尺寸图:

| 型 号 | D | d0 | d1 | H1 | H2 | L | L1 | L2 | 螺纹接口 |
| Y-60B | Φ60 | 76 | 4.5 | ≤60 | 14 | 36 | 66 | M14*1.5 | |
| Y-100B | Φ100 | 116 | 4.8 | ≤100 | ≤35 | 20 | 50 | 98 | M20*1.5 |
| Y-150B | Φ150 | 165 | 5.8 | ≤125 | ≤60 |
三、使用与订货须知:
(1)全不锈钢压力表不适用于外界有氯、硝酸和过氯化氧等强化剂环境。
(2)不锈钢压力表外壳需喷涂PTEE聚四氟乙烯涂层时,订货时注明。
(3)不锈钢压力表接头螺纹如需特殊要求时请说明。
(4)全不锈钢压力表分普通型和耐震型。
(5)订货请说明名称、型号及测量上限。

Y-60/100/150B不锈钢压力表
YE-60/100/150B不锈钢膜盒压力表
YN-60/100/150B不锈钢耐震压力表
YX-60/100/150B不锈钢电接点压力表
YEX-100/150B不锈钢膜盒电接点压力表
YEN-100/150B不锈钢膜盒耐震压力表
YNX-100/150B不锈钢耐震电接点压力表









![[list:title]](/uploads/allimg/180720/1-1PH0100359.jpg)