YX100/150系列电接点压力表是用于测量对铜和铜合金不起腐蚀作用的气体、液体介质的正负压力,并在压力达到预定值时发出信号,接通控制电路,达到自动控制的报警得目的。
电接点压力表具有测量控制功能,可任意设定上、下控制压力值,动作稳定可靠,在石油、化工、电站、冶金等工业企业及机电设备上广泛配套使用。
一、电接点压力表结构原理:
仪表由测量系统、指示装置、磁助电接点装置、外壳、调节装置及接线盒等组成。
当被测压力作用于弹簧管时,其末端产生相应的弹性变形—位移,经传动机构放大后,由指示装置在度盘上指示出来。同时指针带动电接点装置的活动触点与设定指针上的触头(上限或下限)相接触的瞬时,致使控制系统接通或断开电路,以达到自动控制和发信报警的目的。
二、技术指标:
1.接点装置电气参数及控制形式:
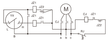
2.电气电路连接示意图:
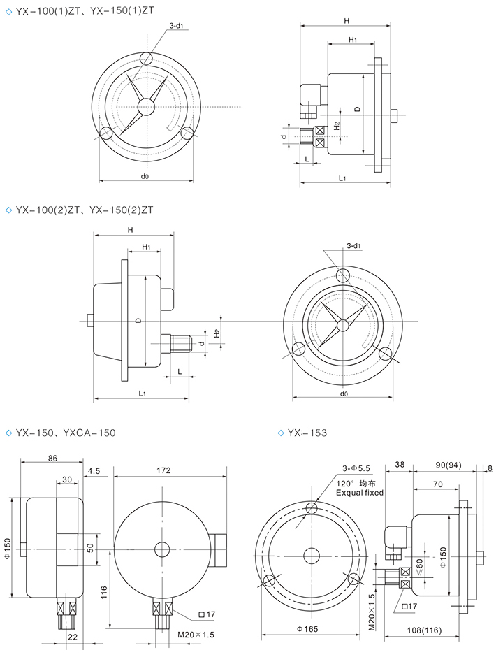
三、电接点压力表外形尺寸图:
| 触头功率 | 高工作电压 | 大工作电流 | 控制形式 |
| 30VA(阻性负载) | 220V D.C或380V A.C | 1A | 上下限、双上限、双下限 |
2.电气电路连接示意图:
![]() |
JZ1、JZ2-继电器及触点 CJ-接触器及触点 RJ-热继电器 M-电机 YX-电接点压力表 L-下限接点(绿) H-上限接点(红) B-公共接点(黄) |
三、电接点压力表外形尺寸图:

| 型 号 | D | H | H1 | H2 | D0 | d | d1 | B | B1 | L | L1 |
| YX-60 | Φ60 | 46 | 13 | M14*1.5 | 56 | 72 | 14 | ||||
| YX-100 | Φ100 | 95 | 17 | M20*1.5 | 87 | 121 | 20 | ||||
| YX-100ZT | 96 | 33 | 30 | 118 | 5.5 | 115 | |||||
| YX-150 | Φ150 | 78 | 40 | 17 | 165 | M20*1.5 | 5.5 | 113 | 150 | 20 | |
| YX-150ZT | 78 | 30 | 100 |

YX-100/150电接点压力表
YX-100/150B不锈钢电接点压力表
YEX-100/150膜盒电接点压力表
YEX-100/150B不锈钢膜盒电接点压力表
YNX-100/150耐震电接点压力表
YNX-100/150B不锈钢耐震电接点压力表
YENX-100/150膜盒耐震电接点压力表
YENX-100/150B不锈钢膜盒耐震电接点压力表
YX-100/150/MF/ML隔膜电接点压力表
YX-100/150B/MF/ML不锈钢隔膜电接点压力表
YNX-100/150/MF/ML耐震隔膜电接点压力表
YNX-100/150B/MF/ML不锈钢耐震隔膜电接点压力表
YX-100/150B不锈钢电接点压力表
YEX-100/150膜盒电接点压力表
YEX-100/150B不锈钢膜盒电接点压力表
YNX-100/150耐震电接点压力表
YNX-100/150B不锈钢耐震电接点压力表
YENX-100/150膜盒耐震电接点压力表
YENX-100/150B不锈钢膜盒耐震电接点压力表
YX-100/150/MF/ML隔膜电接点压力表
YX-100/150B/MF/ML不锈钢隔膜电接点压力表
YNX-100/150/MF/ML耐震隔膜电接点压力表
YNX-100/150B/MF/ML不锈钢耐震隔膜电接点压力表









![[list:title]](/uploads/allimg/180720/1-1PH0110037.jpg)
