2024幸运飞飞艇168官网现场直播

产品分类

联系方式

地址:江苏金湖县84大道

服务热线:0517-86905928

传真:0517-86905928

手机:15358661929

邮箱:jhjpyb@foxmail.com

联系人:徐经理

指针压力表

当前位置:首页>产品中心>压力表系列>指针压力表
YEX膜盒电接点压力表
[list:title]

YEX膜盒电接点压力表

产品优势:
合作客户:
        YEX-100/150(B)膜盒电接点压力表采用膜盒作为测量微小压力的敏感元件,适用于测量气体或液体的微压和负压,并在压力达到预定值时发出信号,接通控制电路,达到自动控制的报警得目的。广泛应用于锅炉通风、气体管道、燃烧装置等及其它类似设备上。

一、结构与测量原理:
膜盒电接点压力表由测量系统(包括接头,波纹膜盒等)、指示装置、磁助电接点装置、外壳、调节装置及接线盒等组成。
膜盒电接点压力表是基于波纹膜盒在被测介质的压力作用下,其自由端产生相应的弹性变形,再经拔杆一齿轮传动机构的传动并予放大,由固定于齿轮轴上的指针逐将被测值在度盘上指示出来。当被测压力作用于波纹膜盒时,其末端产生相应的弹性变形—位移,经传动机构放大后,由指示装置在度盘上指示出来。同时指针带动电接点装置的活动触点与设定指针上的触头(上限或下限)相接触的瞬时,致使控制系统接通或断开电路,以达到自动控制和发信报警的目的。
 
二、技术指标:
1.接点装置电气参数及控制形式:
触头功率 高工作电压 大工作电流 控制形式
30VA(阻性负载) 220V D.C或380V A.C 1A 上下限、双上限、双下限

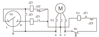
2.电气电路连接示意图:
JZ1、JZ2-继电器及触点
CJ-接触器及触点
RJ-热继电器
M-电机
YX-电接点压力表
L-下限接点(绿)
H-上限接点(红)
B-公共接点(黄)

3.测量范围与精确度:
型号 量程范围(KPa) 精度等级
正压 负压 正负压
YEX-100
YEX-100B
YEX-150
YEX-150B
0~1.6 -1.6~0 -0.8~0.8 2.5
0~2.5 -2.5-0 -1.2~1.2
0~4 -4~0 -2~+2
0~6 -6~0 -3~+3
0~10 -10~0 -5~+5
0~16 -16~0 -8~+8
0~25 -25~0 -12~+12
0~40 -40~0 -20~+20
YEX-100/150膜盒电接点压力表
YEX-100/150B不锈钢膜盒电接点压力表

4.导(测)压系统及外壳等主要零件的材质:
零件名称 材料编号
接头 1icr18Ni9T、Ocr18Ni12Mo2Ti、 sus316不锈钢
膜盒 1icr18Ni9T、Ocr18Ni12Mo2Ti、 sus316不锈钢
齿轮传动机构 1icr18Ni9T、Ocr18Ni12Mo2Ti、 sus316不锈钢
表壳,罩壳 1icr18Ni9T、Ocr18Ni12Mo2Ti、 sus316不锈钢

三、压力表选型表:
Y 压力表
仪表类型
(可复选)
E 膜盒
N 耐震
X 电接点
表盘直径 60 直径ф60mm
100 直径ф100mm
150 直径ф150mm
仪表材质 普通型
B 全不锈钢
隔离器选择
(隔膜压力表)
ML 螺纹式
MF 敞开法兰式
MG 工字法兰式
GL 角形法兰式
RL 软管连接式
MC 卡盘连接卫生型
附加选项
(连接器选择)
YL 硬管连接器
RL 软管连接器
GL 角形连接器
SR 散热器
ZN 阻尼器

2024幸运飞飞艇168官网现场直播