2024幸运飞飞艇168官网现场直播

产品分类

联系方式

地址:江苏金湖县84大道

服务热线:0517-86905928

传真:0517-86905928

手机:15358661929

邮箱:jhjpyb@foxmail.com

联系人:徐经理

指针压力表

当前位置:首页>产品中心>压力表系列>指针压力表
YX-160B防爆电接点压力表
[list:title]

YX-160B防爆电接点压力表

产品优势:
合作客户:
        YX-160-B防爆电接点压力表用于有爆炸危险的场所内用来测量非结晶、非凝固的爆炸性混合物或各种无爆炸性的介质压力,具有相应防爆性能或采取相应措施的电气器件(如继电器及接触器等)配套使用,便能对被控系统实现自动控制和发信(报警)的目的。

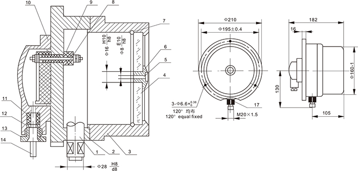
一、仪表结构与测量原理:
防爆电接点压力表由隔爆外壳、测量系统、电接点组、调节装置和出线盒等组成。防爆电接点压力表仪表的隔爆外壳具有良好的隔爆性能,因此对在正常工作过程中由于火花或电弧的影响,除防爆电接点压力表了能承受壳体内部的爆炸性气体混合物在一旦引起爆炸时产生的爆炸压力外,并能有效地阻止由此产生的热能向外顺利传播,而只能在壳体内部沿着隔爆接合面的微小缝隙处缓慢地向外扩散。这时,传至壳体外部的瞬间温度已降低到爆炸性气体混合物的燃点温度以下,故不会导致传爆。  
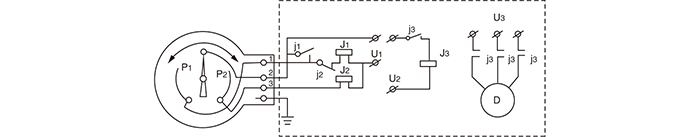
    防爆电接点压力表的工作原理是基于检测元件(测量系统中的弹簧管)的弹性变形,通过机械传动使之带动电接点组中的触头产生相应的动作(闭合或断开)以使控压系统中的电路得以接通或断开,从而实现自动控制报警和现场指示的目的。

二、技术参数:
1.量程范围:0~0.16~60MPa;
2.精确度等级:1.5;
3.控制方式:上、下限缓行接点开关;
4.高工作电压:DC 220V或AC 380V;
5.触头功率:10VA;
6.工作位置:垂直安装;
7.使用环境条件:-10~50℃,相对湿度不大于80%,且爆炸性混合物应属于ⅡB级T4组以下,工作振动和被测介质的急剧脉动应对仪表触头的可靠动作无影响。  
8.温度影响:示值不大于0.4%/10℃,设定点不大于0.6%/10℃(使用温度偏离20±5℃);  
9.绝缘强度:50Hz正弦交流电2000V历时一分钟;
10.重量:6kg
· 隔爆接合面型式及其基本参数
外壳容积V(L) 0.5
接合面型式 平面 圆筒(可动部份)
隔爆接合面的小有效长度Lmm 15
螺钉通孔边缘至隔爆接合面小有效长度L1 8
隔爆接合面大间隙或直径差Wmm 0.15
隔爆接合面的表面粗糙度Ra 3.2 1.6
注:隔爆接合面的有效长度和间隙宽度的范例可参见隔爆外壳结构示意图。
· 隔爆外壳及导压系统等零件和材质

零件名称 材料牌号或名称 零件名称 材料牌号或名称
驱壳盖 ZL102
(ZL-102,ZL-101)
薄垫圈 L3
出线盒 接头 20
轴套 QAJ9-2 弹簧管 3J53
观察窗 有机玻璃    
注: 防爆电接点压力表的观察窗的材质其抗冲击强度不小于4J。观察窗一旦损坏,则不准使用。

三、防爆电接点压力表外形尺寸图:

2024幸运飞飞艇168官网现场直播