YB-150A/B压力表主要做为标准表用来校验工业用普通压力表,压力表也可在工艺现场测量对铜合金和合金结构钢等材质无腐蚀性、非结晶、非凝固介质的压力。
压力表在标度线下设置有镜面环(A型B型),在使用中读数更清晰。并带有调零装置(B型)。
一、压力表的结构与工作原理:
压力表由测压系统、传动机构、指示装置和外壳组成。压力表的测压弹性元件经特殊工艺处理,使压力表性能稳定可靠,与高精度的传动机构配套调试后,能确保指示精度。
工作原理:当被测介质的压力作用于弹性元件后,使其产生弹性变形—位移,经拉杆带动传动机构放大,由指示装置指示被测压力。
二、主要技术指标:
1.测量范围、精确度及特点:
2.使用环境条件:5~40℃,相对湿度不大于80%,且环境震动和压力源的波动对仪表的精确读数无影响。
3.温度影响:使用环境温度如偏离20±3℃(A型)或20±2℃(B型)时,则须考虑温度附加误差0.4%/10℃
4.重量:1kg型)、1.4kg型)。(B(A
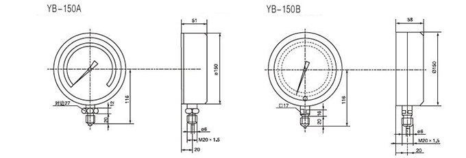
5.外形尺寸图:
| 型号 | 弹簧管材料 | 测量范围MPa | 精确度 | 结构特点 |
| YB-150A |
锡磷青铜 铬钒钢 |
0~0.1;0.16;O.25;0.4;0.6;1.0;1.6;2.5; 4;6;10;16;25;40;60;-0.1~0 |
0.4 | 镜面 |
| YB-150B | 0.25 | 镜面调零 |
3.温度影响:使用环境温度如偏离20±3℃(A型)或20±2℃(B型)时,则须考虑温度附加误差0.4%/10℃
4.重量:1kg型)、1.4kg型)。(B(A
5.外形尺寸图:










![[list:title]](/uploads/allimg/180721/1-1PH1064142.jpg)